Simms Injector Pump Rebuild Kit . Simms minimec repair kits and revision sets. Repair kits for conventional injection pumps. Oem codes and brands are for referal purposes only, though they are not genuine they are interchangeable with genuine ones.manufacturer’s. Simms minimec 3 cylinder pump overhaul kit containing all seals for a rebuild. Vintage tractor injection pump and injector parts. Brief breakdown on how to assemble a simms pump with some plunger and barrel talk #ford #injector #pump Containing all the necessary o rings, gaskets,. Gasket and seal kits for the simms minimec type fuel pumps as fitted to many fordson dexta tractors. This pump was fitted to fordson dexta tractors during the 1950's/60's. Simms gk007 injection pump rebuild kit for p4614 minimec spe 6m leyland 6 cylinder engines. Simms minimec 6 cylinder pump overhaul kit fitted to many leyland, nuffield, ford, fordson, case, new holland tractors during the 1950's/60's. Equivalent to part number 506800. This kit is intended for servicing.
from flavored.ph
Vintage tractor injection pump and injector parts. Simms gk007 injection pump rebuild kit for p4614 minimec spe 6m leyland 6 cylinder engines. Gasket and seal kits for the simms minimec type fuel pumps as fitted to many fordson dexta tractors. This kit is intended for servicing. Simms minimec 6 cylinder pump overhaul kit fitted to many leyland, nuffield, ford, fordson, case, new holland tractors during the 1950's/60's. Brief breakdown on how to assemble a simms pump with some plunger and barrel talk #ford #injector #pump Oem codes and brands are for referal purposes only, though they are not genuine they are interchangeable with genuine ones.manufacturer’s. This pump was fitted to fordson dexta tractors during the 1950's/60's. Repair kits for conventional injection pumps. Simms minimec 3 cylinder pump overhaul kit containing all seals for a rebuild.
Business Heavy Equipment, Parts & Attachments Tractor Parts SIMMS FUEL
Simms Injector Pump Rebuild Kit This pump was fitted to fordson dexta tractors during the 1950's/60's. Equivalent to part number 506800. Gasket and seal kits for the simms minimec type fuel pumps as fitted to many fordson dexta tractors. Containing all the necessary o rings, gaskets,. Repair kits for conventional injection pumps. Vintage tractor injection pump and injector parts. This kit is intended for servicing. Simms minimec repair kits and revision sets. This pump was fitted to fordson dexta tractors during the 1950's/60's. Simms minimec 3 cylinder pump overhaul kit containing all seals for a rebuild. Simms minimec 6 cylinder pump overhaul kit fitted to many leyland, nuffield, ford, fordson, case, new holland tractors during the 1950's/60's. Brief breakdown on how to assemble a simms pump with some plunger and barrel talk #ford #injector #pump Simms gk007 injection pump rebuild kit for p4614 minimec spe 6m leyland 6 cylinder engines. Oem codes and brands are for referal purposes only, though they are not genuine they are interchangeable with genuine ones.manufacturer’s.
From dieselspareparts.co
CAV OVERHAUL REBUILD KIT ROTO DIESEL PUMP Diesel Spare Parts Simms Injector Pump Rebuild Kit Gasket and seal kits for the simms minimec type fuel pumps as fitted to many fordson dexta tractors. Simms gk007 injection pump rebuild kit for p4614 minimec spe 6m leyland 6 cylinder engines. This pump was fitted to fordson dexta tractors during the 1950's/60's. This kit is intended for servicing. Vintage tractor injection pump and injector parts. Containing all the. Simms Injector Pump Rebuild Kit.
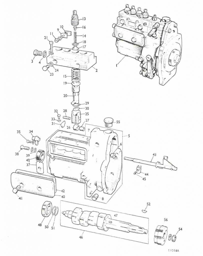
From injectionpumps.co.uk
Complete overhaul kit for Simms Minimec 4 cylinder diesel injection Simms Injector Pump Rebuild Kit Repair kits for conventional injection pumps. Simms minimec repair kits and revision sets. Equivalent to part number 506800. Simms minimec 6 cylinder pump overhaul kit fitted to many leyland, nuffield, ford, fordson, case, new holland tractors during the 1950's/60's. Simms minimec 3 cylinder pump overhaul kit containing all seals for a rebuild. Brief breakdown on how to assemble a simms. Simms Injector Pump Rebuild Kit.
From goldfarbinc.com
P5218 (LB71/800/22/2500) Rebuilt Simms Performance Injection Pump MF Simms Injector Pump Rebuild Kit This kit is intended for servicing. Brief breakdown on how to assemble a simms pump with some plunger and barrel talk #ford #injector #pump Simms minimec 6 cylinder pump overhaul kit fitted to many leyland, nuffield, ford, fordson, case, new holland tractors during the 1950's/60's. Containing all the necessary o rings, gaskets,. Repair kits for conventional injection pumps. Vintage tractor. Simms Injector Pump Rebuild Kit.
From injectionpumps.co.uk
Complete overhaul kit for Simms Minimec 4 cylinder diesel injection Simms Injector Pump Rebuild Kit Simms minimec repair kits and revision sets. Simms minimec 6 cylinder pump overhaul kit fitted to many leyland, nuffield, ford, fordson, case, new holland tractors during the 1950's/60's. Repair kits for conventional injection pumps. Simms gk007 injection pump rebuild kit for p4614 minimec spe 6m leyland 6 cylinder engines. This pump was fitted to fordson dexta tractors during the 1950's/60's.. Simms Injector Pump Rebuild Kit.
From www.stationaryengineparts.com
Simms Minimec Fuel Injection Pump Overhaul / Rebuild Kit P/N 506804 Simms Injector Pump Rebuild Kit Containing all the necessary o rings, gaskets,. Gasket and seal kits for the simms minimec type fuel pumps as fitted to many fordson dexta tractors. Simms minimec repair kits and revision sets. This kit is intended for servicing. Vintage tractor injection pump and injector parts. Equivalent to part number 506800. Simms minimec 3 cylinder pump overhaul kit containing all seals. Simms Injector Pump Rebuild Kit.
From injectionpumps.co.uk
Complete overhaul kit for Simms Minimec 3 cylinder diesel injection Simms Injector Pump Rebuild Kit Simms minimec 3 cylinder pump overhaul kit containing all seals for a rebuild. Brief breakdown on how to assemble a simms pump with some plunger and barrel talk #ford #injector #pump Gasket and seal kits for the simms minimec type fuel pumps as fitted to many fordson dexta tractors. Vintage tractor injection pump and injector parts. Simms minimec repair kits. Simms Injector Pump Rebuild Kit.
From gulfsouthequip.com
P4665 REBUILT 3CYL SIMMS INJECTION PUMP FOR FORD TRACTORS Gulf South Simms Injector Pump Rebuild Kit This pump was fitted to fordson dexta tractors during the 1950's/60's. Equivalent to part number 506800. Simms minimec repair kits and revision sets. Repair kits for conventional injection pumps. Oem codes and brands are for referal purposes only, though they are not genuine they are interchangeable with genuine ones.manufacturer’s. Brief breakdown on how to assemble a simms pump with some. Simms Injector Pump Rebuild Kit.
From mungfali.com
Ford 5000 Simms Injection Pump Simms Injector Pump Rebuild Kit Simms minimec 6 cylinder pump overhaul kit fitted to many leyland, nuffield, ford, fordson, case, new holland tractors during the 1950's/60's. Vintage tractor injection pump and injector parts. Simms minimec repair kits and revision sets. Containing all the necessary o rings, gaskets,. Simms minimec 3 cylinder pump overhaul kit containing all seals for a rebuild. Gasket and seal kits for. Simms Injector Pump Rebuild Kit.
From injectionpumps.co.uk
Seal kit for Simms Minimec 6 cylinder diesel injection pumps Diesel Simms Injector Pump Rebuild Kit Simms minimec 6 cylinder pump overhaul kit fitted to many leyland, nuffield, ford, fordson, case, new holland tractors during the 1950's/60's. This pump was fitted to fordson dexta tractors during the 1950's/60's. Simms minimec repair kits and revision sets. Repair kits for conventional injection pumps. Simms minimec 3 cylinder pump overhaul kit containing all seals for a rebuild. Gasket and. Simms Injector Pump Rebuild Kit.
From www.ebay.com
Simms, Minimec Fuel Injection Pump Rebuild Services eBay Simms Injector Pump Rebuild Kit Oem codes and brands are for referal purposes only, though they are not genuine they are interchangeable with genuine ones.manufacturer’s. Equivalent to part number 506800. Repair kits for conventional injection pumps. Simms minimec 6 cylinder pump overhaul kit fitted to many leyland, nuffield, ford, fordson, case, new holland tractors during the 1950's/60's. Vintage tractor injection pump and injector parts. Containing. Simms Injector Pump Rebuild Kit.
From dieselcare.ecrater.com
Ford Simms Minimec injection injector pump rebuild service Simms Injector Pump Rebuild Kit Simms minimec 6 cylinder pump overhaul kit fitted to many leyland, nuffield, ford, fordson, case, new holland tractors during the 1950's/60's. Vintage tractor injection pump and injector parts. Repair kits for conventional injection pumps. This kit is intended for servicing. Equivalent to part number 506800. Brief breakdown on how to assemble a simms pump with some plunger and barrel talk. Simms Injector Pump Rebuild Kit.
From goldfarbinc.com
SPE4A7SS527R (P4368) Rebuilt Simms Fuel Injection Pump Fordson Power Simms Injector Pump Rebuild Kit Simms minimec 6 cylinder pump overhaul kit fitted to many leyland, nuffield, ford, fordson, case, new holland tractors during the 1950's/60's. Simms minimec 3 cylinder pump overhaul kit containing all seals for a rebuild. Brief breakdown on how to assemble a simms pump with some plunger and barrel talk #ford #injector #pump Repair kits for conventional injection pumps. Equivalent to. Simms Injector Pump Rebuild Kit.
From injectionpumps.co.uk
Exploded diagrams Diesel Injection Pumps Simms Injector Pump Rebuild Kit Repair kits for conventional injection pumps. Simms minimec repair kits and revision sets. This pump was fitted to fordson dexta tractors during the 1950's/60's. Simms minimec 3 cylinder pump overhaul kit containing all seals for a rebuild. Oem codes and brands are for referal purposes only, though they are not genuine they are interchangeable with genuine ones.manufacturer’s. This kit is. Simms Injector Pump Rebuild Kit.
From injectionpumps.co.uk
Complete overhaul kit for Simms Minimec 4 cylinder diesel injection Simms Injector Pump Rebuild Kit Gasket and seal kits for the simms minimec type fuel pumps as fitted to many fordson dexta tractors. Simms gk007 injection pump rebuild kit for p4614 minimec spe 6m leyland 6 cylinder engines. Simms minimec repair kits and revision sets. Simms minimec 3 cylinder pump overhaul kit containing all seals for a rebuild. Simms minimec 6 cylinder pump overhaul kit. Simms Injector Pump Rebuild Kit.
From dieselcare.store
Rebuild Service for Injection Pump for Ford Simms Minimec Diesel Care Simms Injector Pump Rebuild Kit Repair kits for conventional injection pumps. Simms minimec 6 cylinder pump overhaul kit fitted to many leyland, nuffield, ford, fordson, case, new holland tractors during the 1950's/60's. Simms minimec 3 cylinder pump overhaul kit containing all seals for a rebuild. This kit is intended for servicing. This pump was fitted to fordson dexta tractors during the 1950's/60's. Brief breakdown on. Simms Injector Pump Rebuild Kit.
From www.bonanza.com
Simms GK032 6 CYL Injection Pump Rebuild Kit for Ford engines Fuel Simms Injector Pump Rebuild Kit Repair kits for conventional injection pumps. Equivalent to part number 506800. Simms minimec 6 cylinder pump overhaul kit fitted to many leyland, nuffield, ford, fordson, case, new holland tractors during the 1950's/60's. Simms minimec 3 cylinder pump overhaul kit containing all seals for a rebuild. Containing all the necessary o rings, gaskets,. Oem codes and brands are for referal purposes. Simms Injector Pump Rebuild Kit.
From injectionpumps.co.uk
Plunger and element for Simms Minimec pumps 8.0mm Diesel Injection Pumps Simms Injector Pump Rebuild Kit Repair kits for conventional injection pumps. Simms minimec 6 cylinder pump overhaul kit fitted to many leyland, nuffield, ford, fordson, case, new holland tractors during the 1950's/60's. Simms gk007 injection pump rebuild kit for p4614 minimec spe 6m leyland 6 cylinder engines. Oem codes and brands are for referal purposes only, though they are not genuine they are interchangeable with. Simms Injector Pump Rebuild Kit.
From injectionpumps.co.uk
Complete overhaul kit for Simms Minimec 4 cylinder diesel injection Simms Injector Pump Rebuild Kit Simms minimec 3 cylinder pump overhaul kit containing all seals for a rebuild. Simms gk007 injection pump rebuild kit for p4614 minimec spe 6m leyland 6 cylinder engines. Containing all the necessary o rings, gaskets,. Gasket and seal kits for the simms minimec type fuel pumps as fitted to many fordson dexta tractors. Brief breakdown on how to assemble a. Simms Injector Pump Rebuild Kit.